March 2023

CAD Combination Lock

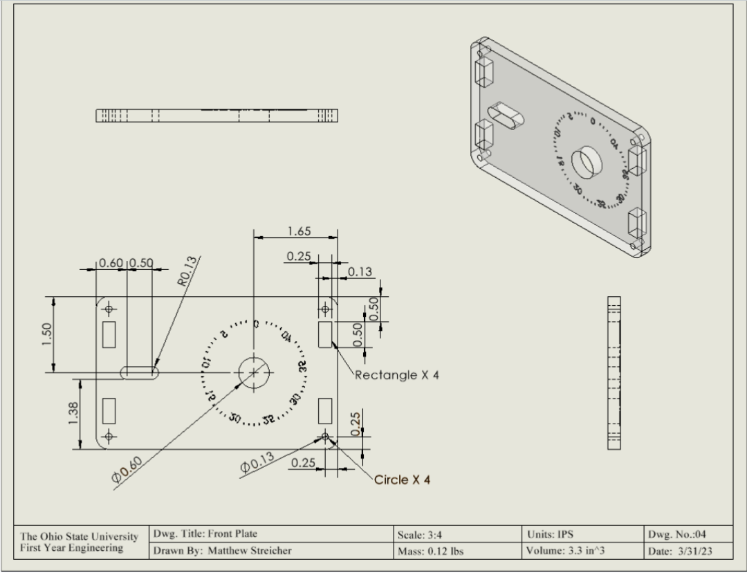
A combination lock I modeled and drew up for a final project in a freshman engineering class. I've included below some examples of the dimensioned project, exploded assembly, and BOM exported to Excel. The deadbolt inside the lock will only open once all the gears have been turned to their open gate.